矢 野 純 T O D A Y 瓦 版

あれもこれも好き。:ローライダービーチクルーザー


デコチャリ用LEDライトを作る



@@ 能書き @@

私のデコチャリに、テールランプを付けて、 ブレーキを操作すると後ろでピカッ☆とさせようと思いました。   通りすがりのヒト「なんだあの自転車はぁ(・・)?」   (矢野純がそこを通り過ぎつつ、すかさずブレーキ操作!)   通りすがりのヒト「一体なんじゃろーかアレは(T-T)?ランプ付いてるし〜」 となることを願って付けようと(^-^)♪ で、 テールランプを付けるなら、 いっそのことウィンカーもつけて点滅させよう!と(←勢い拡大♪)

@@ 青写真 @@

ウィンカーを点滅!・・どうやってさせよう(?_?)   方法その1:押しボタンスイッチをハンドルに取り付け、         カッチンカッチンと、         ソレっぽく指で押したり離したりする。 でも、これだと点滅にムラがあってミットモナイかも(T-T)   方法その2:電子回路で点滅させる。 これなら、本物そっくりに点滅できそう(^^) 生まれてこのかた30年、 電子回路を設計したことは一度もないけど、何とかなる・・かな? 豆球で光らせると・・、 ウィンカーが前後左右で4つでしょ、テールランプに1つ。 ・・単1電池4つ位積めば実用になるかな(T-T)消費電力が不安 ここは一発、 最近流行り?の高輝度LEDでランプを光らせよう! どうせ電子回路を組むんだからそうしよう! 消費電力少ないはずだから、単3電池でも大丈夫!(・・だろう多分・・。) ついでに白色LEDでヘッドランプも光らせちゃえ(^o^)! ヘッド点灯時はテールランプもスモール点灯だぁー(^O^)/~/~(←膨らむ膨らむ)

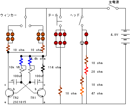
@@ 回路の設計 @@

やほお!検索に「LED 点滅」と入れると、 ほどなく   無安定マルチバイブレータ という回路の動作説明のページに行き当たりました。 どうやら、この回路を真似すれば、 LEDを点滅させることが出来るらしい(・o・;   回路の仕組みを勉強しよう(^o^)! と、そのページを読むこと2時間、 頭痛がしてきたので勉強終了(-o-;うー でも、   LEDを光らせるには、適切な抵抗などで   電圧を調整しなければならないこと。   無安定マルチバイブレータ回路の   トランジスタのベースにつながっている抵抗の量を調整すれば、   点滅スピードを調整できること。 は何とか理解できたので、 あれこれ悩みつつ回路を設計してみたのがこの図です。 動くかなー、これ(^◇^; 実際に組み立てるときに混乱しないように、 実体配線図も作ってみたり。 さも動くかのようにみえるね(^^;これだけ見てると 本当に動くのかは未知数だけど、 最悪でも、ヘッドライトとテールランプだけは動いてほしい(T-T) ウィンカーの点滅に成功したら万々歳(^O^)!

@@ 部品調達 @@

電子部品を買いに 福岡のカホ無線パーツセンターまで行ってきました。 回路作りに失敗しそうな気がしたので、 余るほど部品を買い、 ついでに不要な部品も買っていたら、 御会計が8000円(^◇^;やっちもたー(やってしまった) LEDコーナーには、 高輝度LEDも沢山(^^) ヘッドライトには直径10mmの高輝度白色LEDを1個買いました。 定格3.5Vで20mA、明るさは15カンデラだそうです。 ウィンカーには直径5mm、2Vで20mAの高輝度橙色LED8個、 テールランプには直径5mm、1.85Vで20mAの高輝度赤色LED8個(^^) で、 そのLEDを収めるテールランプ&ウィンカー&ヘッドランプ本体ですが、   ヘッドランプは、今、デコチャリに付けている豆球ランプを流用します。   ウィンカーテールランプは、   本物のオートバイのソレを買ってこようと(^-^)♪   新品は高そうだったので、やほお!競売で物色。 ウィンカーは、YAMAHA SR400純正品が2100円(4個)で落札できました。 テールランプはHONDA STEED純正品が1000円で(^o^) 電子回路を入れるケースは、 最初、カセットケースを流用しようと思っていたのですが、 単3電池ボックスがケースに入らないことが判明(-_-;   そこで、SONY8ミリビデオの   生テープ付属ケースを採用しました(^O^)/~/~ これだと、単3*4本の電池ボックスが中にすっぽり(^^) けど、ケースが欲しいばかりに生テープを買うのは、やや良心がトガめ気味。 ・・でも、235円でこれと同じサイズのケースはナカナカ無いし(^^;結局購入 ハンドル手元に取り付けるスイッチボックスは、 ディスカウントストアの文房具コーナーにあったゼムクリップ(78円) ・・の、ケースを流用することに(^^)これまた中身は不要なんだけど購入

@@ 製作 @@

8ミリビデオテープケースに基板を入れるために、 基板をカッターナイフで切り落として小さくしました。   佐藤琢磨選手のF1初出走オーストラリアGPの中継を見ながら、   半田ゴテでコテコテすること数時間・・。   まず抵抗・・トランジスタ・・コンデンサ・・ジャンパー線多数(^◇^; いつのまにか佐藤選手はリタイアしてたみたいだ(T-T) 出来た基板に、ケーブルを取り付けます。 スイッチボックス系統・・前ランプ系統・・後ランプ系統。 ↑基板はケーブルで埋まってます(^◇^; 次に、スイッチボックスにドリルとヤスリで穴をあけて、スイッチ取付。 透明なケースなので中が見えてしまうから、 配線を三つ編みにしてみたり(^-^; 次はLEDを基板に取り付け。 ウィンカーは橙色LEDを各ウィンカーに2個づつ、 ヘッドライトは白色LED一個、 テールランプは、 スモールランプ用に赤色LEDを2個、 ストップランプ用に赤色LEDを6個。 まず、LEDを載せる基板を作ります。 汎用基板にカッターナイフで切れ目を入れて折り取り、 表側には、三菱ペイントマーカーの銀色を塗りました。 (↑少しでも光を反射してほしいんです(T-T)) 導線とLEDをハンダ付けして出来上がり(^-^) LED基板の回路図はこちら♪

@@ 動作テスト @@

まだウィンカー本体にLEDを組み込んではいないものの、 電子回路的には、ほぼ完成したので動作テストに挑戦!   うまく動きますように( -o)//あーめんそーめんひやそーめん すべてのスイッチをオフにして、 手持ちのニッケル水素充電池を4本装填! いよいよ、「主電源スイッチ投入」の時がやってまいりました!!!   ああ、一瞬、見たこともない光を放って爆発   しないかな(・o・;緊張の一瞬 主電源投入っ!(ポチっとな)   ヘッドライトが光ったぁ(^o^)わぁい♪ っていうか、 ヘッドライトスイッチは、まだOFFなのに ヘッドライトLEDが光ってるぞ(T-T)あれーぇ? ヘッドライトの謎は後回しにして、 ウィンカースイッチを動かすと、   ぴかっ☆  しーん” ”  ぴかっ☆  しーん” ” ほぼ1秒間隔で点滅ぅ(^○^)♪成功ぉー ブレーキレバーを引くと、ストップランプも豪快に点灯(☆_☆)ちこー ヘッドライトの異常を調べてみると、   ヘッドライトスイッチのケーブルが、   ハンダ付けしたときの熱で溶けて、「ショート」してました。 なので、 スイッチを入れてないのにヘッドライトが点灯していたのでした。 修理を終えて、ついに完成!   ああ、私の苦労は報われた(T-T)〜 かぜぇのなかぁのスぅバルぅー(-O-)♪(←プロジェクトX 〜挑戦者たち〜)   光るランプを見ながらお茶を飲み、しばし休憩(~-~)しみじみ ウィンカーの点滅速度を調整しようと、 半固定抵抗を回すと、   なにか、2つの半固定抵抗を足して2で割ったような動きをしてます(~~) 予定では、一方で光る時間の長さを、 一方で消える時間の長さを調節するつもりだったのだけど、 実際には、どちらを調節しても、 光る時間と消える時間が同時に変ってしまう。 何がなんだかわからないけど、 とりあえず点滅してるので良しとしよう(^◇^;わっはっは

@@ ライトへの組込、取付 @@

やほお!競売で、 本物のオートバイのテールランプ&ウィンカーを落札して、 届いたものを見てみると、   やたらでかい ことに気付きました(~~; テールランプはサドルの幅より広いし、 ウィンカーはヘッドランプと同じ位の大きさ。 400ccオートバイの部品を買ったのがまずかった(T-T) 原チャリ用にしておけば良かった。 とはいえ、 もったいないので、でかいランプを取り付けてみることにしました。 @@@@@@ ウィンカーを分解して、 ランプなどの要らない部分を取っ払い、 代わりにLED基板を両面テープで留めて。 LEDは光が真っ直ぐに進みやすく、周囲に広がりにくいので、 基板上のLEDの足をそれぞれ外側に向けて曲げ、 ウィンカーを光らせてみると、全体が光って良い感じ(^^) テールランプも以下同文。 ヘッドライトは、豆球ソケットをはずして、 その部分に白色LEDをアロンアルファで接着。 そしたら、アロンアルファが乾燥するときに周囲を白く曇らせる効果が、 白色LEDの表面を襲いました(ToT)曇りLEDになってしまったー @@@@@@ DIYショップで買ってきた、 いろんな金具を組み合わせて、 ヘッドライトとウィンカー、 テールランプとウィンカーを組み、自転車へ取り付けました。 配線も、ハンダ付けして収縮チューブで保護して、 タイラップでケーブルを車体に固定。 2002年3月7日午後10時、ついにデコチャリLEDランプ完成(^-^)! 電池をセットして、ランプを付けてみました。 ヘッドライトは、ものすごく暗いです(ToT) 白色LED1個では、 とりあえず「無灯火走行」は避けられるものの、 道はほとんど見えません。 アロンアルファで「曇りLED」になったせいかもしれません。 5mmの高輝度白色LED4個位であれば道が見えるかも・・。 懐に余裕があれば改造してみます(^^; テールランプは、良い感じです(^^) スモール点灯時の光り具合も、 ストップ点灯時の光り具合も、 オートバイのようです。 ウィンカーも、オートバイのように光って良い感じです。   ただし、それは夜の場合で(~~; 昼間は、ウィンカーもテールランプも、 光っているかどうか、ほとんど判りません(T-T)夜専用ランプかも @@@@@@ あれほど大きくみえたテールランプやウィンカーも、 車体に取り付けてみると、   やっぱりでかい です(T-T) ・・でも面白からいいです(~~;このまんまで〜

@@ これを作るなら @@

まず、電子回路の材料代が5000円ちょいでした。 内訳は、高輝度LEDの代金が3000円です。 (←ここが非常に大きい(T-T)) 基板やらケースやら、その他諸々が2000円。 そして、 やほお!競売で落札したオートバイ用テールランプ、ウィンカー部品が、 送料などを含めると5000円。   合計1万円も掛かってしまいました(^◇^; ああ、やっちもた(T-T)〜(やってしまった) ・・もし、回路が動かなかったら、 目も当てられなかったな(~~;動いてよかったー           == 材料(参考) == 基板       サンハヤト汎用基板 25*15穴    @ 100円*2枚 LED      高輝度白色直径10mm3.5V20mA    @ 680円*1個          高輝度橙色直径 5mm2.0V20mA    @ 180円*8個          高輝度赤色直径5mm1.85V20mA    @ 98円*8個 抵抗       10Ω 1/4W            @ 10円*5本          20Ω 1/4W            @ 10円*2本          47Ω 1/4W            @ 10円*3本          2.2kΩ 1/4W           @ 10円*4本 半固定抵抗    10kΩ               @ 50円*2個 トランジスタ   2SC1815              @ 30円*2個 電解コンデンサー 6.3V 100μF            @ 30円*2個 ケーブル     イーサネット用(ツイストペア8芯)@ 120円*4m スイッチ     3P中立スイッチ          @ 170円*1個          6Pスライドスイッチ2個(田宮) @ 100円*一式          マイクロスイッチ(オムロン)   @ 100円*1個 電池ケース    単3*4本用           @ 180円*1個 本体ケース    SONY8mmビデオ生テープケース流用 @ 235円*1個 スイッチケース  ゼムクリップケース流用      @ 78円*1個 ウィンカー本体  YAMAHA SR400純正品4個セット   @2100円*一式 テールランプ本体 HONDA STEED純正品         @1000円*1個


メインメニュー画面へ戻る。